文章詳情頁
solidworks進行3D建模制作
瀏覽:155日期:2024-09-01 13:54:54
下面給大家介紹的是solidworks進行3D建模制作,喜歡的朋友可以一起來關注好吧啦網學習solidworks知識哦!
第1步、看看效果圖:

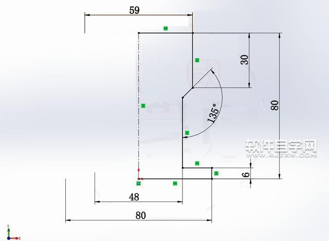
第2步、打開solidworks軟件,進入前視基準面,草繪下面圖形。

第3步、然后進行草圖旋轉實體。

第4步、后面前視面上畫一個中心矩形草圖。

第5步、選擇矩形草圖進行拉伸切除,完全貫穿兩者。

第6步、切除后,進行倒角。

以上就是solidworks進行3D建模制作,希望大家喜歡,請繼續關注好吧啦網。
相關文章:
排行榜

網公網安備