文章詳情頁
CAD2022的新圖形是什么意思
瀏覽:143日期:2023-11-12 13:35:33
CAD2022的新圖形是什么意思?是通過為文字、標注、線型和其他幾種部件指定設置,您可以輕松地滿足行業或公司標準的要求。 
對于英制圖形,假設您的單位是英寸,請使用 acad.dwt 或 acadlt.dwt。對于公制單位,假設您的單位是毫米,使用 acadiso.dwt 或 acadltiso.dwt。
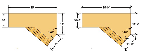
一、通過為文字、標注、線型和其他幾種部件指定設置,您可以輕松地滿足行業或公司標準的要求。例如,此后院甲板設計顯示了兩個不同的標注樣式。

二、所有這些設置都可以保存在圖形樣板文件中。單擊“新建”以從下面幾個圖形樣板文件中進行選擇:
對于英制圖形,假設您的單位是英寸,請使用 acad.dwt 或 acadlt.dwt。對于公制單位,假設您的單位是毫米,使用 acadiso.dwt 或 acadltiso.dwt。
三、列表中的“教程”樣板文件是用于建筑或機械設計主題的簡單樣例,使用英制 (i) 和公制 (m) 版本。開始創建標注時,可能想要嘗試使用這些標注。
四、大多數公司使用符合公司標準的圖形樣板文件。他們通常使用不同的圖形樣板文件,具體取決于項目或客戶。
以上就是CAD2022的新圖形是什么意思,希望大家喜歡,請繼續關注好吧啦網。相關文章:
排行榜

網公網安備