文章詳情頁
CAD2022怎么畫二維實例圖一
瀏覽:195日期:2023-11-11 13:54:33
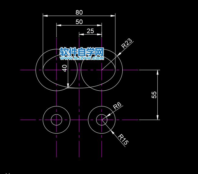
下面給大家分享的是通過CAD的圓形,橢圓,倒圓角,直線來完成下面的CAD2022二維實例圖。希望能幫助到大家!
1、打開CAD2022軟件,繪制下面的輔助線出來。

2、然后在輔助線上,繪制下面四個小圓出來。

3、然后在上面繪制二個大圓出來。

4、再繪制下面的橢圓出來,80x40的橢圓。

5、然后再繪下面的圖形進行倒圓角處理。效果如下:

6、然后再繪制上面的相切,相切圓出來,并修剪一下。

7、然后把不要的部分進行修剪掉。效果如下:

8、在下面的小圓上,繪制一條直線出來。效果如下:

9、然后再是進行修剪不要的部分。效果如下:

10、然后再繪制二條斜線出來,角度為對稱角度40度。

11、然后再給角進行倒8的圓角,效果如下:

上一條:ai怎么加寬不種的線寬下一條:CAD怎么畫五連花圓形的方法
相關文章:
排行榜

網公網安備