文章詳情頁
SolidWorks怎么設計帽子模型
瀏覽:214日期:2023-12-11 16:02:08
下面給大家介紹的是SolidWorks怎么設計帽子模型的方法,喜歡的朋友可以一起來關注好吧啦網學習更多SW教程。
第1步、先看看用SolidWorks設計好帽子模型,

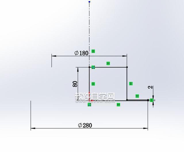
第2步、打開SolidWorks軟件,進入前視基準面,開始草繪圖形的尺寸圖出來。

第3步、繪制好后,選中對象后,點擊旋轉設置。旋轉軸為直線1,方向為給定深度,旋轉角度為360度。然后點擊打勾。

第4步、旋轉實體后,然后給實體進行圓角設置,圓角項目選擇邊線1與邊線2,選擇圓角類型。然后點擊圓角參數,半徑設置為15。

第5步、然后針對實體進行抽殼設置。選中要抽殼的面,設置參數為2mm。參數設置如下:

第6步、抽殼后,然后選中倒圓角設置,然后選中帽子的邊出來,然后設置倒圓角為R1。然后如下:

第7步、前視基準面,草繪一個矩形。(用來建坐標系)。

第8步、設置坐標, Z軸設為矩形的底邊。

第9步、選中對象,設置彎曲,設置圓角進行折彎 ,角度-30度。

第10步、同樣的再設置彎曲,扭曲 ,30度。

第11步、最后效果圖就出來。

以上就是介紹SolidWorks怎么設計帽子模型的方法也步驟,喜歡的朋友可以一起來關注好吧啦網學習更多的SolidWorks教程知識。
以上就是SolidWorks怎么設計帽子模型,希望大家喜歡,請繼續關注好吧啦網。排行榜

網公網安備