solidworks怎么繪制軸承底坐零件
新手們我們一起來看看下面圖吧,還有相關的尺寸哦!

第1步、打開solidworks軟件,點擊新建圖標,點擊零件圖標,點擊確定。

第2步、點擊拉伸凸臺基體工具,點擊上視基準面,效果如下:

第3步、然后在上視基準面上,繪制下面對稱的草圖出來。效果如下:

第4步、然后退出草圖,凸臺拉伸設置,方向給定深度為8mm,點擊確定。

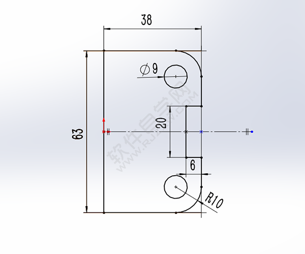
第5步、點擊拉伸凸臺基體工具,點擊右視基準面,效果如下:

第6步、然后在右視基準面上,繪制下面的草圖出來。效果如下:

第7步、然后退出草圖,凸臺拉伸設置方向給定深度為5mm,點擊確定。

第8步、點擊拉伸凸臺基體工具,點擊實體的基準面,效果如下:

第9步、然后在實體基準面上,繪制下面的草圖出來。效果如下:

第10步、然后退出草圖,凸臺拉伸設置方向給定深度為20mm,點擊確定。

第11步、點擊拉伸切除工具,點擊實體的基準面,效果如下:

第12步、然后在實體基準面上,繪制下面的直徑為15的圓出來。效果如下:

第13步、然后退出草圖,切除拉伸設置方向為完全貫穿,點擊確定。

第14步、點擊拉伸切除工具,點擊實體的基準面,效果如下:

第15步、然后在實體基準面上,繪制下面的矩形出來。效果如下:

第16步、然后退出草圖,切除拉伸設置方向為給定深度為20mm,點擊確定。

第17步、點擊拉伸切除工具,點擊實體的基準面,效果如下:

第18步、然后在實體基準面上,繪制下面的直徑為12的圓出來。效果如下:

第19步、然后退出草圖,切除拉伸設置方向為成形到一面,選擇內圓面,點擊確定。

這樣零件就繪制好了。
以上就是solidworks怎么繪制軸承底坐零件,希望大家喜歡,請繼續關注好吧啦網。相關文章:

網公網安備